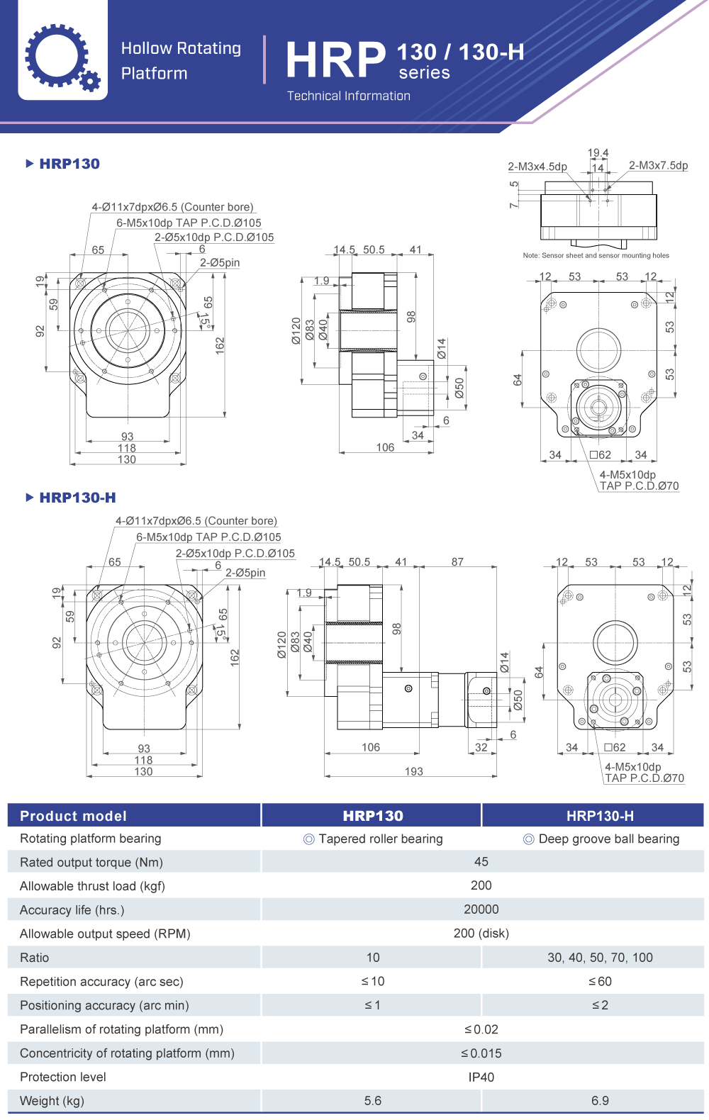
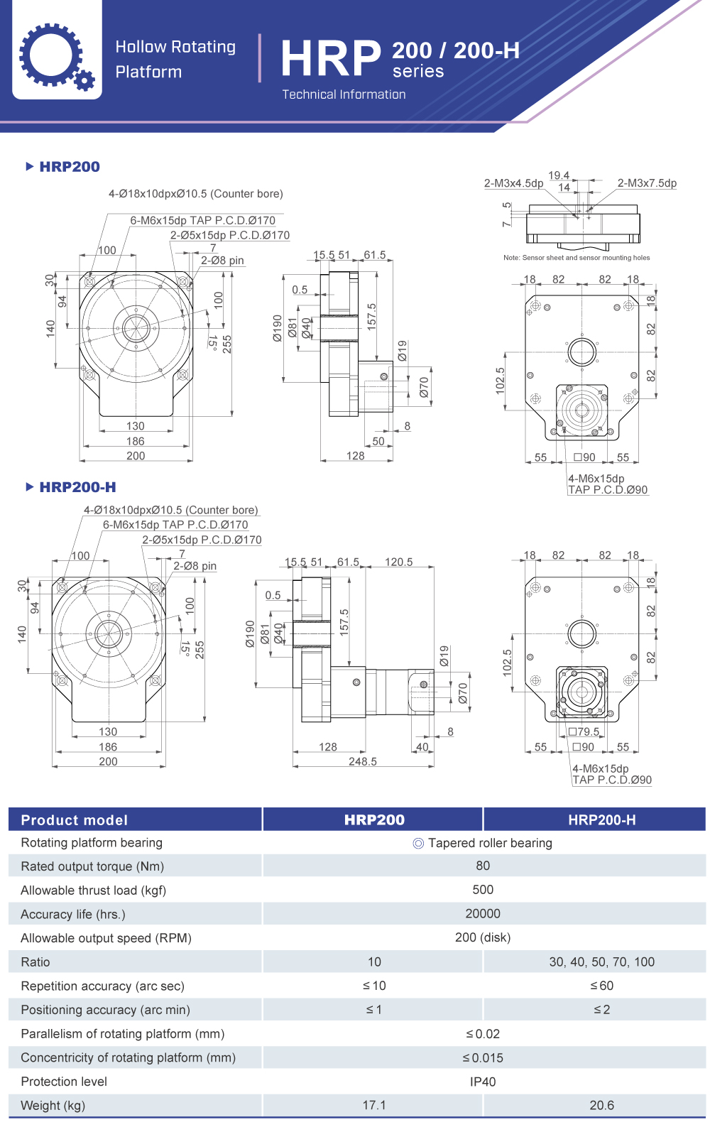
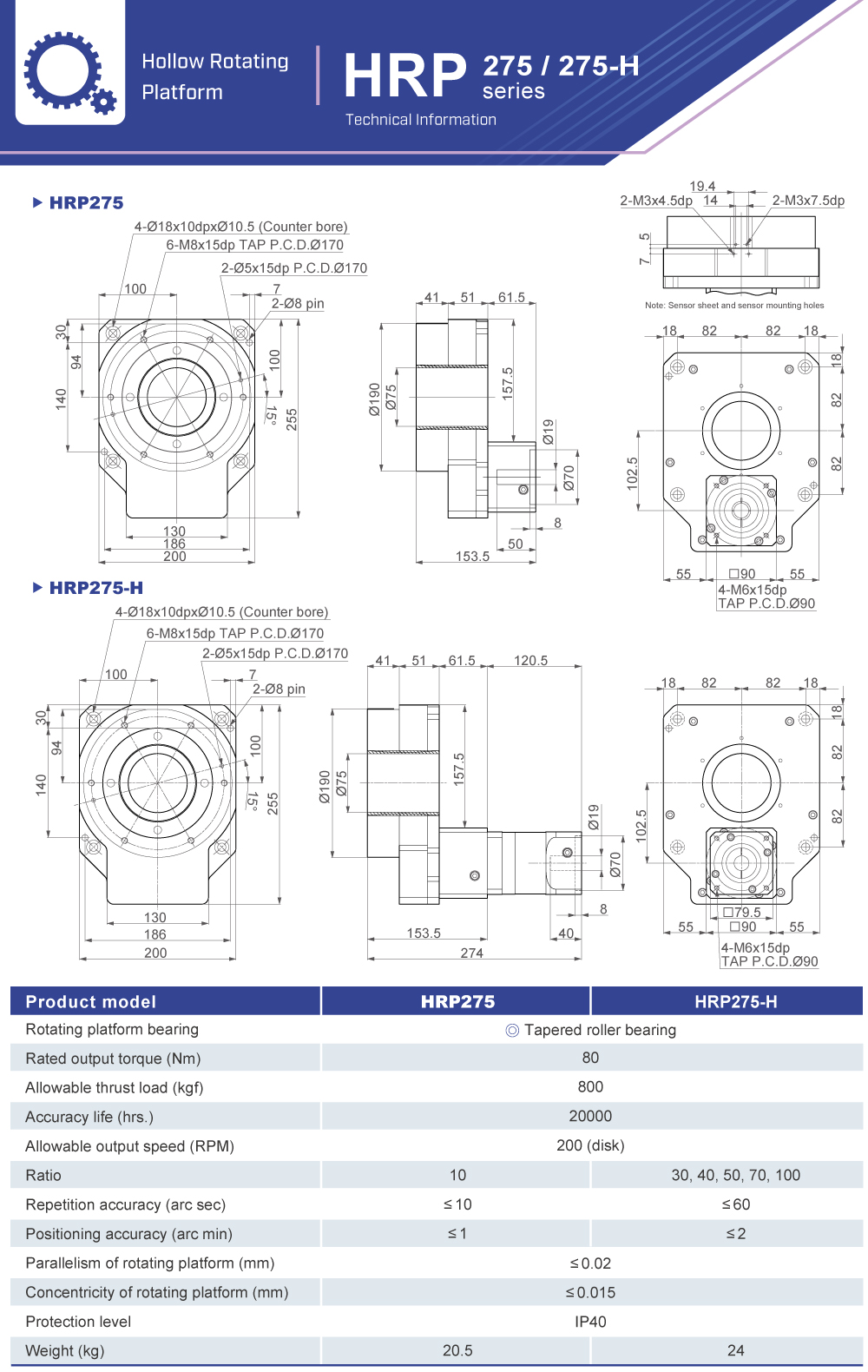
Hollow rotating platform HRP-H series
Let us help you make your design a success Suitable for precision ▶️ Index plate, ▶️ Optical inspection equipment, ▶️ Applications of bending moment load, such as pick and place system, ▶️ High-precision positioning equipment, such as material handling platform.- Size 60 / 100 / 130 / 200 / 270
- Combined with planetary gearbox
- Fixed reduction ratio by frame size
- Rated speed by output disc, 200 rpm
- Repetition accuracy 10 - 15 arc sec.
- Positioning accuracy 1 - 2 arc min.
- Life time 15,000 - 20,000 hrs.
- Allowable output thrust load 20 - 800 kgf.




